QR 코드
문의하기


팩스
+86-574-87168065


주소
Luotuo 산업 지역, Zhenhai 지역, 닝보 시티, 중국
Raydafon의 SWC-DH 짧은 플렉스 용접 유형 범용 커플 링은 롤링 밀, 호이스트 및 스틸 가공 기계와 같은 무거운 장비에 잘못 정렬 된 샤프트를 연결하도록 만들어졌습니다. 45mm ~ 390mm 범위의 회전 직경의 소형 짧은 플렉스 범용 커플 링입니다. 샤프트가 최대 25도 (각도 오정렬)까지 꺼진 경우에도 여전히 토크가 효율적으로 움직입니다. 1000kn · m에서 습득하여 중장비의 전력 요구에 맞습니다.
우리는 고강도 35crmo 강철로 만들고 4 개의 바늘 베어링을 추가하여 무거운 하중으로 유지됩니다. 그렇기 때문에 산업 기계 범용 커플 링을위한 견고한 선택이며, 하중이 비 끊임없이 유지되는 지점에서 중장비 장비 용접 범용 커플 링으로 훌륭하게 작동합니다. 짧은 Flex 디자인은 축 운동을위한 공간이 거의없는 기계에 적합합니다. 거친 산업 공간을위한 힘든 전송 수정이 있습니다.
Raydafon은 ISO 9001 인증을받은 중국 기반 제조업체이므로 모든 SWC-DH 범용 커플 링에 대한 엄격한 품질 규칙을 고수합니다. 크로스 샤프트는 크롬 판을 가져와 부식과 싸우기 때문에 조건이 가혹한 경우에도 지속됩니다. 용접 요크는 설치도 더 쉽게 만들 수 있습니다. 그만 샤프트를 올바르게 정렬하고 최선으로 작동합니다. 야금, 채굴 및 크레인 시스템의 장비에서는 문제가 없습니다.
또한이 커플 링은 다양한 크기와 토크 등급으로 제공됩니다. 산업 기계 (수확기 또는 기타 특정 기어를위한 산업 기계)에 맞춤형 커플 링이 필요한 경우, 우리는 귀하의 요구에 맞게 조정할 수 있으며 가격은 경쟁력을 유지할 수 있습니다. 장비 다운 타임 에서이 짧은 플렉스 커플 링을 줄이기위한 제조 노하우가 있습니다.
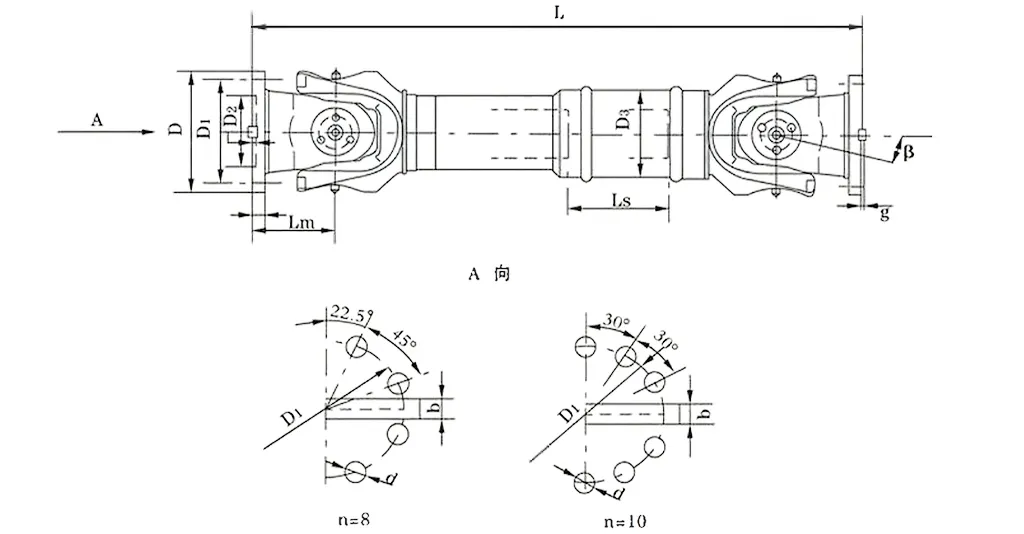
| 아니요. | 회전 직경 d mm | 공칭 토크 TN kn · m | 축을 접습니다 β (°) | 지친 토크 TF kn · m | 플렉스 수량 LS MM | 크기 (mm) | 회전 관성 kg.m2 | 체중 (kg) | |||||||||||
| lmin | D1 (JS11) | D2 (H7) | D3 | LM | N-D | k | t | b (H9) | g | lmin | 증가하다 100mm | lmin | 증가하다 100mm | ||||||
| SWC180DH1 | 180 | 20 | 10 | ≤25 | 75 | 650 | 155 | 105 | 114 | 110 | 8-17 | 17 | 5 | - | - | 0.165 | 0.0070 | 58 | 2.8 |
| SWC180DH2 | 55 | 600 | 0.162 | 56 | |||||||||||||||
| SWC180DH3 | 40 | 550 | 0.160 | 52 | |||||||||||||||
| SWC225DH1 | 225 | 40 | 20 | ≤15 | 85 | 710 | 196 | 135 | 152 | 120 | 20 | 5 | 32 | 9.0 | 0.415 | 0.0234 | 95 | 4.9 | |
| SWC225DH2 | 70 | 640 | 0.397 | 92 | |||||||||||||||
| SWC250DH1 | 250 | 63 | 31.5 | ≤15 | 100 | 795 | 218 | 150 | 168 | 140 | 8-19 | 25 | 6 | 40 | 12.5 | 0.900 | 0.0277 | 148 | 5.3 |
| SWC250DH2 | 70 | 735 | 0.885 | 136 | |||||||||||||||
| SWC285DH1 | 285 | 90 | 45 | ≤15 | 120 | 950 | 245 | 170 | 194 | 160 | 8-21 | 27 | 7 | 40 | 15.0 | 1.876 | 0.0510 | 229 | 6.3 |
| SWC285DH2 | 80 | 880 | 1.801 | 221 | |||||||||||||||
| SWC315DH1 | 315 | 125 | 63 | ≤15 | 130 | 1070 | 280 | 185 | 219 | 180 | 10-23 | 32 | 8 | 40 | 15.0 | 3.331 | 0.0795 | 346 | 8.0 |
| SWC315DH2 | 90 | 980 | 3.163 | 334 | |||||||||||||||
| SWC350DH1 | 350 | 180 | 90 | ≤15 | 140 | 1170 | 310 | 210 | 267 | 194 | 10-23 | 35 | 8 | 50 | 16.0 | 6.215 | 0..2219 | 508 | 15.0 |
| SWC350DH2 | 90 | 1070 | 5.824 | 485 | |||||||||||||||
| SWC390DH1 | 390 | 250 | 125 | ≤15 | 150 | 1300 | 345 | 235 | 267 | 215 | 10-25 | 40 | 8 | 70 | 18.0 | 11.125 | 0.2219 | 655 | |
| SWC390DH2 | 90 | 1200 | 10.763 | 600 | |||||||||||||||
* 1. TF-under 교대로드 피로 강도에 따라 허용하는 토크를로드하십시오. * 2. Lmin- 컷 후 최소한 길이. * 3. L- 설치 길이는 요구 사항에 따른 것입니다.
SWC Cardan Shaft Universal Joint Coupling이라고 불리는 SWC 범용 조인트 커플 링은 중장비 산업 시나리오의 핵심 구성 요소입니다. 롤링 밀, 호이 스팅 머신 및 다양한 대규모 중장비 시스템에는 필수 불가능합니다. 고 토크 범용 조인트 커플 링으로서, 두 개의 변속기 샤프트를 비상장 축과 효과적으로 연결하여 복잡하고 가혹한 작업 조건에서도 중단되지 않은 전력 전송을 보장 할 수 있습니다.
이 커플 링의 핵심 기술 매개 변수는 다음과 같습니다.
회전 직경 : φ58 -φ620
공칭 토크 : 0.15-1000k · m
축 폴드 각도 : ≤25 °
실제 응용 분야에서는 예외적으로 잘 수행됩니다. 예를 들어, 롤링 밀 운영 중에, 롤링 밀에 전용 된 신뢰할 수있는 대형 유니버설 조인트 커플 링이 필요하거나 내구성있는 SWC 범용 조인트 샤프트 커플 링이 필요할 때이 제품은 완전히 유능합니다. 무거운 하중에서도 장비의 작동 안정성을 안정적으로 유지할 수 있습니다.
SWC 범용 조인트 커플 링은 고급 엔지니어링 원칙을 사용하여 설계되어 산업 환경에서 탁월한 성능과 더 긴 서비스 수명을 제공합니다. 주요 구조적 특징은 다음과 같습니다.
합리적이고 안전한 구조 : 통합 된 포크 헤드 디자인을 특징으로하는이 산업용 범용 조인트 커플 링은 볼트 풀 또는 파손의 위험을 줄여 구조적 강도를 30%-50%증가시킵니다. 이 설계는 안전하고 신뢰할 수있는 작동을 보장하고 전통적인 모델에 비해 서비스 수명을 연장하며 중장비 유니버설 조인트 커플 링 시스템과 같은 고압 시나리오에서 일반적인 실패를 방지합니다.
향상된 하중 부유 용량 : SWC 중형 범용 조인트 커플 링은 특히 무거운 하중을 부담하도록 설계되었으므로 광업 또는 건설 기계와 같은 우수한 부하 관리가 필요한 시나리오에 필수적입니다.
높은 전송 효율 : 최대 98.6%의 효율로 고출력 전송을위한이 효율적인 범용 조인트 커플 링은 에너지 소비 및 관련 비용을 크게 줄여서 고용력 산업 전송 시스템에서 에너지 절약 범용 조인트 커플 링 솔루션을위한 첫 번째 선택입니다.
저음이 적은 안정적인 작동 :이 저음 보편적 인 조인트 커플 링은 일반적으로 30-40dB (A) 사이의 노이즈 레벨에서 안정적으로 작동하여 조용한 성능을 보장합니다. 높은 신뢰성을 유지하면서 소음에 민감한 환경에 이상적입니다.
범용 조인트 커플 링, 특히 SWC Cardan Shaft 범용 조인트 커플 링은 탁월한 장점으로 인해 산업 응용 분야에서 필수적인 전송 구성 요소가되었습니다. 그들은 중장비, 정밀 제조 및 에너지 전송과 같은 분야의 성능으로 핵심 요구를 충족시킬 수 있습니다. 아래는 주요 장점에 대한 자세한 분석입니다.
1. 강력한 토크 전송 및 우수한 오정렬 보상
고도로 유니버설 조인트 커플 링으로서 고출력 하중을 안정적으로 전송할 수 있습니다. 롤링 밀 연산 중에 샤프트 오정렬이 자주 발생하는 시나리오 (롤러 마모 및 스틸 롤링 중 온도 변화로 인한 축 방향 오프셋과 같은 시나리오에서도 롤링 밀 운영을위한 신뢰할 수있는 중대한 보편적 인 조인트 커플 링은 쉽게 처리 할 수 있습니다. 최대 25 도의 최대 각도 오정렬과 함께 각도, 축 방향 및 방사형 오정렬을 동시에 보상 할 수 있습니다. 이 우수한 오정렬 적응성은 샤프트 오정렬로 인한 전송 잼을 방지하고, 지속적이고 안정적인 전력 전달을 보장하며, 극한의 작업 조건 하에서 기계적 고장 확률을 크게 줄이며, 생산 라인의 지속적인 작동을 보장합니다.
2. 내구성이 높고 서비스 수명이 길다
SWC 범용 조인트 커플 링의 설계 및 재료 선택은 "무거운 하중에 저항하고 거친 환경을 견딜 수있는"것을 중심으로합니다. 본체는 고강도 합금 강철로 만들어졌으며 통합 포크 헤드 구조와 결합하여 볼트 풀기 및 구성 요소 파손과 같은 일반적인 고장 지점을 근본적으로 줄입니다. 예를 들어 리프팅 및 재료 취급 장비를 들어 올리는 데 사용되는 내구성 SWC 범용 조인트 샤프트 커플 링을 사용하면 무거운 물체를 들어 올릴 때 즉각적인 충격 하중을 견딜 수 있으며 먼지 및 고온과 같은 가혹한 환경에서 안정적인 성능을 유지할 수 있습니다. 기존의 분할 구조 커플 링과 비교하여,이 산업 범용 조인트 커플 링은 전반적인 강도가 30%-50%증가하여 일일 유지 보수 빈도를 줄일뿐만 아니라 서비스 수명을 2-3 년으로 연장합니다. 중장비 유니버설 조인트 커플 링 시스템의 장기 고재 작동 요구에 특히 적합합니다.
3. 높은 전송 효율과 상당한 에너지 절약 효과
테스트에 따르면 SWC 중장비 유니버설 조인트 커플 링의 전송 효율은 98.6%로 높으며, 이는 강철 공장의 폭발 용광로 팬과 발전소의 석탄 운송 시스템과 같은 고출력 산업 전송 시나리오에서 명백한 이점이 있습니다. 연속적인 고출력 변속기가 필요한 장비의 경우 큰 전력 전송을위한이 효율적인 범용 조인트 커플 링과 일치하면 전력 손실을 최소화 할 수 있습니다. 에너지 절약 보편적 인 조인트 커플 링 솔루션을 추구하는 기업의 경우,이 고효율은 비용 이점으로 직접 변환 될 수 있습니다. 예를 들어 1500kW 산업용 모터를 예로 들어 보면 연간 전기 비용으로 12,000 건 이상의 위안을 절약 할 수 있으며 엔터프라이즈가 장기 사용 비용을 절감하는 동시에 에너지 소비 및 소비 소비 트렌드를 준수하는 데 도움이 될 수 있습니다.
4. 여러 시나리오에 적합한 안정적이고 조용한 운영
베어링 적합성 정확도를 최적화하고 마찰 계수가 낮은 윤활 그리스를 사용함으로써,이 저음 보편적 인 조인트 커플 링의 작동 노이즈는 30-40dB (a)로 엄격하게 제어되며, 이는 일일 사무실의 주변 소음 수준과 동등하며 산업 현장의 소음 방출 표준에 완전히 불만을 제기합니다. 소음에 민감한 시나리오 (식품 가공 공장의 생산 라인 및 정밀 전자 부품을위한 전달 장비의 생산 라인)에서는 전송 시스템의 안정성과 신뢰성을 보장 할뿐만 아니라 노이즈로 인한 워크샵 환경 또는 직원의 운영 경험에 영향을 미치지 않을 수 있습니다. 동시에 안정적인 전송 특성은 장비 진동으로 인한 주변 구성 요소의 마모를 줄여 전체 생산 시스템의 작동 안정성 및 서비스 수명을 더욱 향상시킬 수 있습니다.
SWC-DH 짧은 플렉스 용접 타입 유형 커플 링 (SWC Cardan Shaft Universal Joint Coupling)은 주로 롤링 밀 및 호이스트와 같은 중장기 시나리오에서 주로 사용됩니다. 이 유형의 장비는 구조적 소형 및 유연성에 대한 요구 사항이 매우 높습니다.이 두 지점을 충족시킴으로써 효율적인 작동을 달성 할 수 있으며,이 커플 링은 이러한 요구를 완벽하게 충족시킵니다. 고 토크의 범용 조인트 커플 링으로서, 두 개의 변속기 샤프트를 비상장 축과 효과적으로 연결하여 샤프트 시스템 오정렬에 대한 정확한 보상이 필요한 가혹한 산업 환경에서도 완벽한 전력 전송을 보장 할 수 있습니다.
실제 응용 분야에서 롤링 밀 작업 중에 롤링 밀 운영을위한 신뢰할 수있는 중장비 보편적 조인트 커플 링이 필요하거나 내구성있는 SWC 범용 조인트 샤프트 커플 링이 리프팅 및 재료 처리 장비에 필요하든,이 제품은 훌륭하게 성능을 발휘할 수 있습니다.이 제품은 극도로 하중 하에서도 안정적인 장비 작동을 유지할 수 있습니다. 적응성 이점은 공간이 제한되어 있고 짧은 유연한 구조 설계가 필요한 소형 장비 레이아웃에서 특히 두드러집니다.
이 SWC-DH 산업 범용 조인트 커플 링은 고급 엔지니어링 기술로 구축되었으며 산업 시나리오를 위해 특별히 성능 및 서비스 수명에 최적화되었습니다. 핵심 구조적 특징은 합리적이고 안전한 설계에 있습니다. 통합 포크 헤드 구조는 기본적으로 볼트 풀기 또는 파손의 숨겨진 위험을 제거하여 전체 강도를 30%-50%증가시킵니다. 이 설계는 운영의 안전성과 신뢰성을 보장 할뿐만 아니라 전통적인 모델과 비교하여 서비스 수명을 연장하는 동시에 중장기 범용 조인트 커플 링 시스템과 같은 스트레스가 많은 응용 프로그램 시나리오에서 일반적인 고장 문제를 피합니다.
또한, 하중 부유 용량은 더 큰 가중치를 견딜 수 있도록 설계를 통해 향상 되므로이 SWC 중단 유니버설 조인트 커플 링은 채굴 기계 및 건설 장비와 같은 하중 용량에 대한 엄격한 요구 사항이있는 시나리오에 매우 적합합니다. 전송 효율 측면에서 최대 98.6%에 도달합니다. 대규모 전력 전송을위한 효율적인 범용 조인트 커플 링으로서, 에너지 소비 및 전기 비용을 크게 줄일 수있어 고출력 산업 전송 분야에서 에너지 절약 보편적 인 조인트 커플 링 솔루션에 선호되는 제품이 될 수 있습니다.
마지막으로,이 커플 링은 안정적인 변속기를 특징으로하며, 일반적으로 30-40dB (A)로 제어되는 작동 노이즈가있는 안정적인 변속기를 특징으로합니다. 이 특성은 노이즈에 민감한 산업 시나리오에서도 항상 높은 신뢰성을 유지하면서 조용히 작동 할 수 있습니다.
Wang Lei, Project Engineer, Guangdong Heavy Machinery Co., Ltd.
우리는 중장비 기계에서 Raydafon의 SWC-DH Short Flex 용접 유형 범용 커플 링을 한동안 사용해 왔으며, 특히 단단한 지점에 맞는 데있어 즐거운 놀라움이었습니다. 우리의 장비는 변속기 부품을위한 공간이 매우 제한되어 있지만이 커플 링의 소형 디자인은 장갑처럼 적합하므로 다른 구성 요소를 작동시키기 위해 재배치 할 필요가 없습니다.
더 좋은 점은 크기의 성능을 희생하지 않는다는 것입니다. 여전히 강력하고 꾸준한 토크 전송을 제공합니다. 우리는 몇 주 동안 지속적으로 실행했으며 비정상적인 진동이 없었습니다. 전체 시스템이 매끄럽게 유지됩니다. 용접 품질도 또 다른 하이라이트입니다. 당신은 그것을 보면 견고하다는 것을 알 수 있습니다. 공간 절약 디자인과 신뢰성의 균형을 맞추는 커플 링의 경우, 이것은 승자입니다.
⭐⭐⭐⭐⭐ Zhao Ming, Tianjin Steel Equipment Co., Ltd.의 조달 관리자.
우리는 최근 Raydafon에서 몇 가지 SWC-DH 커플 링을 주문했으며, 전체 조달 과정은 두통이 아니라 지연이 없었습니다. 우리가 순서대로 보낸 순간부터 그들의 팀은 반응이 좋았으며, 예정된 날짜에 배달이 바로 나타 났으며, 이는 우리의 생산을 추적하기위한 큰 플러스입니다. 포장도 최고 수준이었습니다. 각 커플 링은 배송 중에 단단히 랩핑되었으며, 배송 중에 데미지 나 손상이 없었습니다.
우리의 기술 팀은 설정을 처리했으며, 마운트가 얼마나 쉬운 지 바로 언급했습니다. 복잡한 단계도없고 특수 도구를 찾을 필요가 없습니다. 빠르게 장착했으며 그 이후로 안정적으로 실행되었습니다. 이 일관된 성능과 쌍을 이루는 합리적인 가격을 고려하면이 커플 링이 큰 가치를 제공하는 것이 분명합니다. 우리는 이미 정기적 인 조달 목록에 보관할 계획입니다. 구매자로서의 직무를 더 쉽게 만드는 제품입니다.
Shandong 산업 그룹의 유지 보수 책임자 Liu Hong
장비 유지 보수를 감독하는 사람으로서 가장 큰 우선 순위는 다운 타임을 줄이고 팀이 부품을 서비스하는 데 소비하는 시간을 줄이는 것입니다. Raydafon의 SWC-DH 커플 링은이 두 상자를 완벽하게 확인합니다. 우리는 매일 무거운 워크로드에서 실행되는 장비에 사용하며, 결코 단단히 고정되거나 느슨한 연결이없는 상태로 미끄러지거나 교대하지 않습니다. 몇 달 동안 사용한 후에도 마모의 징후는 거의 없어서 이전에 사용한 다른 커플 링과는 대조적입니다.
구형 커플 링을 사용하면 항상 빠른 수정 또는 부품 교체를 예약하여 생산 시간을 먹고 비용이 추가되었습니다. 이거? 우리는 자주 서비스를 제공하지 않고 예기치 않은 고장이 없습니다. 그것은 유지 보수에 많은 시간과 돈을 절약 할 수 있었고, 계속해서 그 일을 계속하고 있습니다. 요즘에는 일상적인 운영에서 구성 요소가되었습니다. 실패에 대해 걱정할 필요가 없으므로 다른 우선 순위에 집중할 수 있습니다. 모든 유지 보수 팀이 필요로하는 신뢰할 수있는 부분입니다.
주소
Luotuo 산업 지역, Zhenhai 지역, 닝보 시티, 중국
Copyright © Raydafon Technology Group Co., 제한된 모든 권리 보유.
Links | Sitemap | RSS | XML | Privacy Policy |
