QR 코드
문의하기


팩스
+86-574-87168065


주소
Luotuo 산업 지역, Zhenhai 지역, 닝보 시티, 중국
Raydafon의 SWC-BF 표준 플렉스 플랜지 타입 범용 커플 링은 롤링 밀, 종이 만들기 장비, 산업 드라이브, 힘든 성능이 필요한 모든 설정 등 중장비에서 토크로 토크를 안정적으로 움직 이도록 만들어졌습니다. 유연한 플랜지 디자인이 있으며, 회충 직경은 180mm ~ 620mm이며,이 표준 Flex 범용 커플 링은 1250 kn · m의 높은 토크와 함께 최대 15 도의 각도 오정렬을 처리합니다. 까다로운 작업 환경에도 불구하고 꾸준히 실행되고 떨어지지 않습니다. 우리는 고강도 35CRMO 강철 및 정밀 바늘 베어링으로 만들기 때문에 중장비 장비를위한 산업 기계 및 플렉스 플랜지 커플 링을위한 범용 커플 링과 함께 완벽하게 전원을 만들고 거의 진동을 느끼지 않습니다.
중국에서의 제조업은 ISO 9001 표준을 따르므로 SWC-BF 범용 커플 링은 길고 크롬 도금 크로스 샤프트 덕분에 부식에 저항합니다. 플랜지 연결은 설치를 쉽게 만들어 야금, 광업 및 조선과 같은 분야에서 큰 도움이됩니다. 크기와 토크 등급도 사용자 정의 할 수 있으므로이 내구성있는 Flex 범용 커플 링은 롤링 밀 및 기타 산업 요구를위한 맞춤형 범용 커플 링으로 훌륭하게 작동합니다. 그리고 가격은 경쟁력이 있으며 과충전은 없습니다. Raydafon의 노하우는 유지 보수에 더 적은 시간을 소비 할 것이며 장비는 더 신뢰할 수있는 상태를 유지합니다. 전 세계의 운영자가 포함 할 수 있습니다.
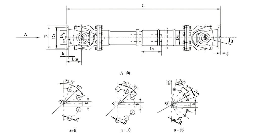
| 아니요. | 회전 직경 d mm | 공칭 토크 TN kn · m | 축을 접습니다 β (°) | 지친 토크 TF kn · m | 플렉스 수량 LS MM | 크기 (mm) | 회전 관성 kg.m2 | 체중 (kg) | |||||||||||
| lmin | D1 (JS11) | D2 (H7) | D3 | LM | N-D | k | t | b (H9) | g | lmin | 증가하다 100mm | lmin | 증가하다 100mm | ||||||
| SWC180BF | 180 | 12.5 | 6.3 | ≤25 | 100 | 810 | 155 | 105 | 114 | 110 | 8-17 | 17 | 5 | -1.455 | - | 0.27 | 0.0070 | 80 | 2.8 |
| SWC225BF | 225 | 40 | 20 | ≤15 | 140 | 920 | 196 | 135 | 152 | 120 | 8-17 | 20 | 5 | 32 | 9 | 0.79 | 0.0234 | 138 | 4.9 |
| SWC250BF | 250 | 63 | 31.5 | 1035 | 218 | 150 | 168 | 140 | 8-19 | 25 | 6 | 40 | 12.5 | 1.46 | 0.0277 | 196 | 5.3 | ||
| SWC285BF | 285 | 90 | 45 | 1190 | 245 | 170 | 194 | 160 | 8-21 | 27 | 7 | 40 | 15 | 2.87 | 0.0510 | 295 | 6.3 | ||
| SWC315BF | 315 | 125 | 63 | 1315 | 280 | 185 | 219 | 180 | 10-23 | 32 | 8 | 40 | 15 | 5.09 | 0.0795 | 428 | 8.0 | ||
| SWC350BF | 350 | 180 | 90 | 150 | 1410 | 310 | 210 | 267 | 194 | 10-23 | 35 | 8 | 50 | 16 | 9.20 | 0.2219 | 632 | 15.0 | |
| SWC390BF | 390 | 250 | 125 | 170 | 1590 | 345 | 235 | 267 | 215 | 10-25 | 40 | 8 | 70 | 18 | 16.62 | 0.2219 | 817 | 15.0 | |
| SWC440BF | 440 | 355 | 180 | 190 | 1875 | 390 | 255 | 325 | 260 | 16-28 | 42 | 10 | 80 | 20 | 28.24 | 0.4744 | 1290 | 21.7 | |
| SWC490BF | 490 | 500 | 250 | 190 | 1985 | 435 | 275 | 325 | 270 | 16-31 | 47 | 12 | 90 | 22.5 | 46.33 | 0.4744 | 1631 | 21.7 | |
| SWC550BF | 550 | 710 | 355 | 240 | 2300 | 492 | 320 | 426 | 305 | 16-31 | 50 | 12 | 100 | 22.5 | 86.98 | 1.3570 | 2567 | 34.0 | |
| SWC620BF | 620 | 1000 | 500 | 240 | 2500 | 555 | 380 | 426 | 340 | 10-38 | 55 | 12 | 100 | 25 | 147.50 | 1.3570 | 3267 | 34.0 | |
범용 조인트 커플 링이라고도하는 범용 커플 링은 완벽하게 정렬되지 않을 수있는 두 샤프트 사이의 토크와 회전 운동을 움직이는 기계적 부분입니다. 그들은 서로 다른 산업 용도에서 전력 전송을 효율적으로 유지하면서 각도, 축 방향 및 방사형 오정렬을 처리합니다. Raydafon의 SWC Cardan Shaft Universal Joint Coupling Series는 여기에서 최고 엔지니어링의 주요 예이며, 롤링 밀 및 호이 스팅 기계와 같은 무거운 지점을 위해 만든 고도로 유니버설 조인트 커플 링 솔루션을 제공합니다.
보편적 인 조인트 커플 링의 주요 유형을 분류합시다.
첫 번째는 단일 범용 조인트입니다. 그것은 하나의 크로스 모양의 피벗을 두 개의 요크를 연결하여 샤프트가 최대 45 도의 각도 오정렬을 갖도록합니다. 중간 정도의 오프셋이있는 설정에 적합하지만 속도가 변경 될 수 있습니다. 롤링 밀 운영을위한 Raydafon의 신뢰할 수있는 강력한 유니버설 조인트 커플 링은 종종 소형 빌드에서 단일 조인트 디자인을 사용하므로 무거운 하중에서도 크게 유지됩니다.
그런 다음 이중 유니버설 조인트가 있습니다. 두 개의 단일 조인트가 함께 연결되어있어 더 큰 오정렬을 처리하고 변속기 속도를 거의 일정하게 유지합니다. 리프팅 및 재료 취급 장비에 내구성있는 SWC 범용 조인트 샤프트 커플 링이 필요한 경우 Raydafon의 이중 조인트 모델은 스트레스가 높은 산업용 범용 조인트 커플 링 시스템에서 안정성을 높이고 진동을 줄입니다.
다음은 텔레스코픽 또는 확장 가능한 범용 조인트입니다. 스플라인 또는 슬라이딩 부품이있어 길이를 조정하면서 오정렬을 보상 할 수 있으며, 이는 동적 설정에서 축 움직임에 효과적입니다. Raydafon의 SWC Heavy-Duty Universal Joint Coupling에는 텔레스코픽 옵션이 포함되어 있습니다. 광산이나 건설 현장과 같은 대규모 전력 전송을위한 효율적인 범용 조인트 커플 링으로 작용하여 샤프트 길이의 유연성이 필요합니다.
견고하고 지루하거나 스플라인 허브 유형도 있습니다. 단단한 허브에는 구멍이없고, 지루한 허브에는 둥근, 16 진수 또는 정사각형 개구부가 있으며, 스플라인 허브에는 그루브가 꽉 맞을 수 있습니다. 에너지 절약 범용 조인트 커플 링 솔루션의 경우 Raydafon은 저음 보편적 인 조인트 커플 링 라인업에서 스플라인 디자인을 제공합니다. 토크 전달을 최적화하고 민감한 산업 지점에서 30-40dB (A)까지 노이즈를 유지합니다.
SWC 시리즈를 포함한 Raydafon의 범용 조인트 커플 링은 통합 포크 헤드 디자인으로 만들어졌으며 볼트 관련 문제가 더 많지 않아 강도가 30%-50%를 높이고 전송 효율성을 98.6%까지 타격합니다. 이러한 기능은 맞춤형 고성능 솔루션이 필요한 전문가에게 제품을 선택합니다.
유니버설 커플 링 — Raydafon의 SWC Cardan Shaft Universal Joint Coupling을 대표적인 예로 사용하여 산업 전송 시스템에 큰 이점을 얻습니다. 그들은 정렬되지 않은 샤프트간에 토크를 효과적으로 움직이고 모든 종류의 편차를 처리하며, 고위급 보편적 인 조인트 커플 링 솔루션이 필요한 것과 같은 힘든 환경에서 작업을 원활하게 운영해야합니다.
주요 장점을 살펴 보겠습니다. 첫째, 오정렬을 보상하는 데 능숙합니다. 범용 커플 링은 각도, 축 방향 및 방사형 오정렬을 최대 25도까지 처리하여 롤링 밀 작업을위한 신뢰할 수있는 무거운 보편적 인 조인트 커플 링이됩니다. 그들은 너무 많은 기계적 스트레스 나 진동을 추가하지 않고이 작업을 수행하므로 기계는 보호됩니다.
그런 다음 내구성과 긴 서비스 수명이 있습니다. 우리는 이러한 커플 링을 통합 포크 헤드 디자인 및 고강도 재료로 구축하여 볼트가 느슨하거나 파손되는 것과 같은 위험을 줄입니다. 그렇기 때문에 리프팅 및 재료 취급 장비의 내구성있는 SWC 범용 조인트 샤프트 커플 링은 가혹한 조건에서 긴 스트레칭에 적합합니다. 그것은 장거리 샷으로 전통적인 모델을 오래 지속합니다.
또한 최고 수준의 하중 및 토크 용량이 있습니다. 무거운 무게를 유지하고 0.15에서 1000 k · m의 공칭 토크를 전송하도록 설계된 산업 범용 조인트 커플 링은 중장비 범용 조인트 커플 링 시스템에서 빛납니다. 이러한 설정에서 극단적 인 부하에서 일관된 성능은 만들거나 차단 되며이 커플 링은 매번 전달됩니다.
전력 전송 효율에 관해서는 이길 수 없습니다. 최대 98.6%의 효율성을 높이기 위해 SWC Heavy-Duty Universal Joint Coupling은 에너지 손실을 낮게 유지합니다. 따라서 고출력 산업 응용 분야에서 대규모 전력 전송을위한 효율적인 범용 조인트 커플 링이되고 시간이 지남에 따라 효율성은 실제 비용 절감에 더해집니다.
마지막으로, 그들은 에너지를 절약하고 조용합니다. 에너지 절약 범용 조인트 커플 링 솔루션으로서 전기 사용을 줄이고 30-40dB (A)에서 작동합니다. 이 저음이 낮은 범용 조인트 커플 링은 소음이 우려되는 산업 지점에 적합합니다. 시끄러운 작동없이 필요한 모든 신뢰성을 얻을 수 있습니다.
Universal Couplings (대부분의 사람들은 Universal Joint Couplings)는 간단하지만 효과적인 기계적 아이디어로 작동합니다. 그들은 완벽하게 정렬되지 않는 두 샤프트 사이의 토크와 회전 운동을 비트를 건너 뛰지 않고 각도, 축 방향 및 방사형 오정렬을 처리합니다. 예를 들어 Raydafon의 SWC Cardan Shaft Universal Joint Coupling을 사용하십시오.이 원칙의 훌륭한 쇼케이스입니다. 그것은 각 샤프트의 요크를 연결하기 위해 크로스 모양의 피벗 (종종 거미라고 부릅니다)을 사용하므로 바쁜 산업 설정에서도 전원이 부드럽게 전달됩니다.
그것이 어떻게 작동하는지의 핵심은 크로스 피벗입니다. 요크가 독립적으로 회전 할 수있게하여 토크 전달을 일관되게 유지하면서 최대 25도까지 샤프트 틸트를 구성합니다. 이 높은 토크 보편적 인 조인트 커플 링은 또한 회전 속도 변화를 최소로 유지합니다. 그리고 Raydafon의 SWC 시리즈를 통해 우리는이 메커니즘을 개선하기 위해 통합 포크 헤드 디자인을 추가했습니다. 볼트와 같은 문제를 제거하고 구조적 강도를 30%-50%로 높이고 스트레스가 많은 지점에서 더 오래 지속될 수 있도록 도와줍니다.
이 원칙은 또한 큰 하중 수용 용량을 지원합니다. 커플 링은 φ58과 φ620 사이의 회전 직경과 함께 0.15 내지 1000k ~ m의 공칭 토크를 처리합니다. 이는 리프팅 및 재료 처리 장비에서 내구성있는 SWC 범용 조인트 샤프트 커플 링이 어려운 작업을위한 견고한 픽입니다. 또한, 산업용 범용 조인트 커플 링은 최대 98.6%의 전송 효율에 맞아 중장비 유니버설 조인트 커플 링 시스템에서 에너지 사용을 줄입니다.
또한 Raydafon의 SWC Heavy-Duty Universal Joint Coupling은 원칙의 원칙적 인 초점과 일치하는 기능을 갖추고 있습니다. 전송을 안정적으로 유지하고 소음이 30-40dB (A) 사이입니다. 따라서 대형 전력 전송을위한 효율적인 범용 조인트 커플 링 및 고출력 산업 설정을위한 최고의 에너지 절약 범용 조인트 커플 링 솔루션이됩니다. 대체로,이 저음 보편적 인 조인트 커플 링은 조용히 유지되므로 신뢰성을 희생하지 않고 소음이 우려되는 곳에서 훌륭하게 작동합니다.
Li Jun, Jiangsu Power Equipment Co., Ltd.
우리는 몇 달 동안 Raydafon의 SWC-BF 표준 Flex 플랜지 플랜지 유형 범용 커플 링을 사용해 왔으며, 성능이 뛰어납니다. 가장 눈에 띄는 것은이 커플 링의 유연성입니다. 특히 샤프트 오정렬을 보상 할 때 기계를보다 신뢰할 수 있습니다. 그것을 설치하는 것은 매끄러운 과정, 까다로운 단계도 없었으며 용접 품질도 견고 해 보입니다. 가격은 정말 좋은 가치이며, 중장비 산업에 있다면이 유연한 플랜지 범용 커플 링을 절대적으로 권장합니다.
John John Davis, 영국 맨체스터 엔지니어링 Ltd.의 기계 엔지니어
맨체스터 시설에서 우리는 Raydafon의 SWC-BF 표준 플렉스 플랜지 유형 범용 커플 링에 대한 오래된 커플 링을 교체했으며 그 차이는 즉시 분명했습니다. 이 보편적 인 커플 링은 스트레스가 많은 조건에서 실행하는 경우에도 전원을 부드럽고 효율적으로 움직입니다. 힘든 디자인과 짝을 이루는 유연성은 기계를 히치없이 유지하게합니다. 또한 Raydafon은 우리에게 빠르게 배달했으며 고객 서비스는 최고 수준이었습니다. 전체 구매 경험이 훨씬 더 좋았습니다. 이 신뢰할 수있는 플렉스 플랜지 범용 커플 링을 적극 권장합니다!
Matteo Rossi, 이탈리아 밀라노 산업 솔루션 운영 관리자
우리는 오정렬을 잘 처리 할 수있는 보편적 인 커플 링을 위해 사냥을하고 있었고, 이것이 Raydafon의 SWC-BF 표준 플렉스 플랜지 유형 범용 커플 링을 발견했습니다. 우리는 지금 몇 주 동안 사용해 왔으며 모든 상자를 확인할 수 있습니다. 설치하는 것은 쉽고 번거 로움이 없었으며, 도전적인 조건을 겪을 때에도 견딜 수 있습니다. 품질은 가격이 뛰어납니다. 제품과 Raydafon이 우리에게 준 서비스에 정말 만족합니다.
Raydafon은 제조업체 일뿐 만 아니라 최상위 전송 구성 요소 및 산업용 기계 솔루션의 주요 공급 업체이며 SWC Cardan Shaft Universal Joint Coupling과 같은 제품에 대한 깊은 전문 지식을 보유하고 있습니다. 우리는 핵심의 혁신과 품질로 시작했으며 시간이 지남에 따라 기어 박스, 드라이브 샤프트, 유압 실린더, 풀리 및 고급 공작 기계를 포함하여 라인업을 성장 시켰습니다. 우리의 고 토크 보편적 인 조인트 커플 링 솔루션은주의를 기울여 제작되어 토크 전송이 원활하게 전송되고 오정렬이 올바르게 처리되도록합니다. 그들은 롤링 밀 운영을위한 신뢰할 수있는 무거운 보편적 인 조인트 커플 링이 필요한 고객에게는 절대적인 필수 아이템입니다.
우리의 생산 시설은 최첨단입니다. 우리는 CNC 워크샵, 연삭 및 열 처리 장비, 3D 측정 시스템을 갖추고 있습니다. 우리는 ISO9001/TS16949와 같은 엄격한 표준을 고수하므로 우리가 만드는 모든 산업 범용 조인트 커플 링은 정확하고 오래 지속됩니다. 예를 들어 리프팅 및 재료 처리 장비에서 내구성있는 SWC 범용 조인트 샤프트 커플 링을 가져 가십시오. 그리고 우리의 SWC 헤비 듀티 보편적 조인트 커플 링? 극한 조건에서 안정적으로 유지하는 것은 협상 할 수없는 중장기 범용 조인트 커플 링 시스템의 문제를 해결합니다.
우리는 글로벌 도달 범위에도 큰 영향을 미칩니다. 우리 제품의 80%가 미국, 독일, 일본, 이탈리아, 말레이시아, 호주 및 중동과 같은 시장으로 수출됩니다. 우리는 중국, 한국, 영국, 싱가포르, 미국 및 스페인 전역에 강력한 네트워크를 보유하고있어 대규모 전력 전송 옵션을위한 맞춤형 유니버설 조인트 커플 링을 만들 수 있습니다. 이는 최대 98.6%의 전송 효율에 도달하여 고전력 설정에서 에너지 사용을 중단하는 에너지 절약 범용 조인트 커플 링 솔루션과 같이 특정 요구에 맞게 조정됩니다.
지속 가능성과 고객 중심의 혁신은 우리에게 중요합니다. 그렇기 때문에 소음이 우려되는 산업 지점의 경우 30-40 DB (A) 사이의 노이즈를 유지하는 저 잡기 유니버설 조인트 커플 링 옵션을 제공합니다. 그리고 우리는 모든 것을 완전한 애프터 송금 지원으로 뒷받침합니다. 일을 제대로 수행하려는 우리의 약속은 Raydafon이 전송 업계의 신뢰할 수있는 파트너로 만들어 전문가가 장비에서 최고의 성능과 신뢰성을 얻도록 도와줍니다.
주소
Luotuo 산업 지역, Zhenhai 지역, 닝보 시티, 중국
Copyright © Raydafon Technology Group Co., 제한된 모든 권리 보유.
Links | Sitemap | RSS | XML | Privacy Policy |
