QR 코드
문의하기


팩스
+86-574-87168065


주소
Luotuo 산업 지역, Zhenhai 지역, 닝보 시티, 중국
플렉스 플랜지 유형이없는 Raydafon의 SWC-WF 범용 커플 링은 야금 장비, 크레인, 채굴 시스템, 꾸준한 전원이 필요한 모든 힘든 설정과 같은 중장기에서 고도리 전송을 위해 만들어집니다. 융통성없는 플랜지 디자인, 160mm ~ 640mm 범위의 회전 직경이 있으며,이 플랜지 유형의 범용 커플 링은 매우 까다로운 조건에서 작업 할 때에도 큰 각도 오정렬과 연속 회전 속도를 처리합니다. 우리는 고강도 35CRMO 스틸을 사용하여 제작하므로 강렬한 하중을 완벽하게 어울립니다. 예를 들어, 중장비 기계를위한 범용 커플 링 및 산업 응용 분야의 비 플렉스 범용 커플 링을위한 최고 선택 인 이유는 무엇입니까? Raydafon의 정밀 제조는 특히 일관된 토크 전달에 타협 할 수없는 산업의 경우 매번 견고한 성능을 제공합니다.
이 SWC-WF 범용 커플 링은 조선 드라이브 및 롤링 밀과 같은 시스템에서 쉽게 설치할 수있는 강성 플랜지 연결을 통해 지속적으로 구축되었습니다. 축 이동이 많지 않은 곳이 있습니다. 우리는 ISO 9001 표준을 엄격하게 따르며, 중국에 기반을 둔 공장은 고급 가공과 엄격한 품질 점검을 사용 하여이 내구성 플랜지 범용 커플 링을 만듭니다. 최대 1250 k · m의 토크 등급이 포함 된 사용자 정의 가능한 크기로 제공되므로 야금 장비 및 기타 중장비 설정을위한 맞춤형 범용 커플 링에 적합합니다. Raydafon은 또한 경쟁력있는 가격으로 맞춤형 솔루션을 제공하여 다운 타임을 줄이고 장비의 안정성을 높이는 데 도움이됩니다.
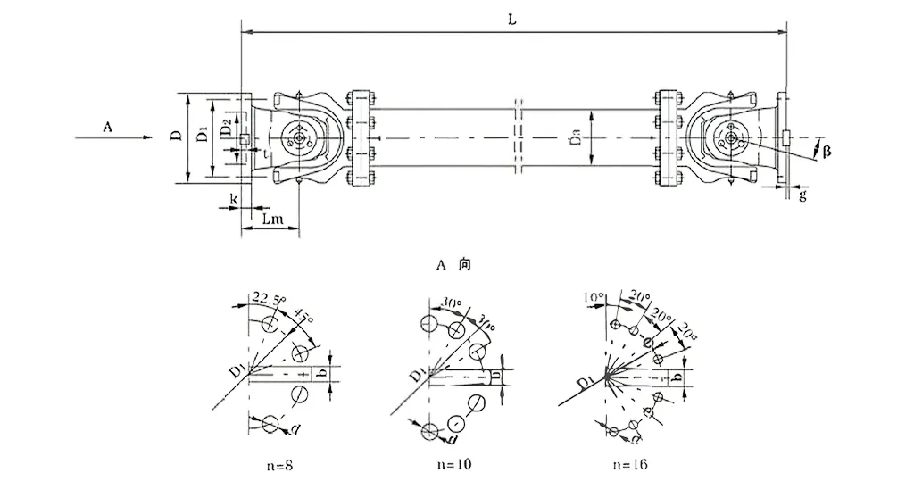
| 아니요. | 회전 직경 d mm | 공칭 토크 TN kn · m | 축을 접습니다 β (°) | 지친 토크 TF kn · m | 크기 (mm) | 회전 관성 kg.m2 | 체중 (kg) | |||||||||||
| lmin | D1 (JS11) | D2 (H7) | D3 | LM | N-D | k | t | b (H9) | g | lmin | 증가하다 100mm | lmin | 증가하다 100mm | |||||
| SWC285WF | 285 | 90 | 45 | ≤15 | 810 | 245 | 170 | 194 | 160 | 8-21 | 27 | 7 | 40 | 15 | 2.664 | 0.051 | 220 | 6.3 |
| SWC315WF | 315 | 125 | 63 | 915 | 280 | 185 | 219 | 180 | 10-23 | 32 | 8 | 40 | 15 | 4.469 | 0.0795 | 300 | 8.0 | |
| SWC350WF | 350 | 180 | 90 | 980 | 310 | 210 | 267 | 194 | 10-23 | 35 | 8 | 50 | 16 | 7.388 | 0.2219 | 412 | 15.0 | |
| SWC390WF | 390 | 250 | 125 | 1100 | 345 | 235 | 267 | 215 | 10-25 | 40 | 8 | 70 | 18 | 13.184 | 0.2219 | 588 | 15.0 | |
| SWC440WF | 440 | 355 | 180 | 1290 | 390 | 255 | 325 | 260 | 16-28 | 42 | 10 | 80 | 20 | 23.250 | 0.4744 | 880 | 21.7 | |
| SWC490WF | 490 | 500 | 250 | 1360 | 435 | 275 | 325 | 270 | 16-31 | 47 | 12 | 90 | 22.5 | 40.750 | 0.4744 | 1173 | 21.7 | |
| SWC550WF | 550 | 710 | 355 | 1510 | 492 | 320 | 426 | 305 | 16-31 | 50 | 12 | 100 | 22.5 | 68.480 | 1.3570 | 1663 | 34.0 | |
| SWC620WF | 620 | 1000 | 500 | 1690 | 555 | 380 | 426 | 340 | 10-38 | 55 | 12 | 100 | 25 | 127.530 | 1.3570 | 2332 | 34.0 | |
* 1. TF-under 교대로드 피로 강도에 따라 허용하는 토크를로드하십시오.
* 2. L- 설치 길이는 요구 사항에 따라입니다.
플렉스 플랜지 유형이없는 Raydafon의 SWC-WF는 SWC Cardan Shaft Universal Joint Coupling이라고도 불리는 범용 조인트 커플 링이 기본적인 기계적 아이디어를 제공합니다. 두 개의 비 콜린 샤프트에서 필요한 위치로 토크를 얻고 오정렬을 처리합니다. 이 높은 토크 범용 조인트 커플 링은 크로스 베어링 설정을 사용하여 양쪽 끝에 플랜지를 연결하므로 샤프트가 최대 25도까지 오프셋되거나 축/방사형 편차가 있더라도 회전 전력이 여전히 부드럽게 움직입니다.
작동 방식의 핵심은 보편적 인 조인트 디자인입니다. 피벗처럼 작용하는 크로스 샤프트가있어 각 플랜지가 자체적으로 움직일 수 있습니다. 이렇게하면 토크는 구동 샤프트에서 구동 샤프트로 효율적으로 진행되며 연결된 부품에 너무 많은 응력을 갖지 않고 각도 오정렬을 보완합니다. 롤링 밀 운영을위한 신뢰할 수있는 대형 유니버설 조인트 커플 링이 필요하다면,이 사람은 단단하고 융통성이없는 플랜지 구조가 물건을 안정적으로 유지하며, 이는 소형 중장비 설정에서 짧은 거리 연결에 적합합니다.
기능이 눈에 띄게 만드는 것은 유연한 부품이나 확장 기능이 없다는 것입니다.이 기능은 다른 유형과 차별화되어 축 운동이 최소화되는 장소에 좋게 만듭니다. 우리가 리프팅 및 재료 취급 장비에 사용하는 내구성 SWC 범용 조인트 샤프트 커플 링은 큰 하중 하에서도 균형을 유지하기 위해이 원칙에 의존합니다. 전송 효율성을 최대 98.6%에 도달하고 에너지가 많지 않습니다. 이 산업용 범용 조인트 커플 링은 정확한 베어링 움직임 덕분에 진동을 줄이므로 스트레스가 많은 상황에서도 부드럽게 실행됩니다. 이는 힘든 산업 작업에서 볼 수있는 중장비 범용 조인트 커플 링 시스템과 마찬가지로 원활하게 작동합니다.
또한 Raydafon의 SWC Heavy-Duty Universal Joint Coupling은 플랜지를 용접하여 더 견고하게 만들었습니다. 볼트가 느슨해 질 것에 대해 더 걱정하지 않으며 전반적인 강도가 30%에서 50% 증가했습니다. 대형 전력 전송을위한 효율적인 범용 조인트 커플 링으로서, 공칭 토크를 0.15 ~ 1000 k · m로 처리하고 φ58에서 φ620에서 φ620에서 gyration 직경을 가지고있어 산업 전송을 요구하는 에너지를 절약하는 범용 조인트 커플 링 솔루션을위한 최고 선택입니다. 그리고 소음이 30-40dB (A) 사이에서 유지되면이 저음 보편적 인 조인트 커플 링은 조용히 실행되며, 이는 소음이 우려되는 산업 지점에 이상적이며 높은 신뢰성 표준을 유지합니다.
Raydafon의 SWC Universal Joint Coupling (종종 SWC Cardan Shaft Universal Joint Coupling)은 정기적 인 부분이 아닙니다. Rolling Mills, Hoisting Machinery 및 모든 종류의 거친 중장비 시스템과 같은 무거운 산업 설치를위한 필수 아이템입니다. 고 토크의 범용 조인트 커플 링으로서, 완벽하게 정렬되지 않는 두 개의 변속기 샤프트를 연결하는 견고한 작업을 수행하므로 작업 조건이 거칠어져도 전원이 계속 흐르도록합니다.
핵심 사양에 대해 이야기 해 봅시다 : 회충 지름 범위는 φ58에서 φ620 범위, 공칭 토크는 0.15 ~ 1000 kn · m이며 축 접힘 각도는 25 ° 이하입니다.
이 제품은 롤링 밀 운영을위한 신뢰할 수있는 중장비 유니버설 조인트 커플 링 또는 리프팅 및 재료 처리 장비에서 내구성있는 SWC 범용 조인트 샤프트 커플 링이 필요할 때와 같은 특정 시나리오에서 실제로 빛납니다. 이 경우 무거운 짐을 다룰 때에도 운영을 안정적으로 유지함으로써 가치가 있습니다.
Raydafon의 SWC Universal Joint Coupling은 기능을 위해 제작되었을뿐만 아니라 산업 용도를 유지하고 장기적으로 잘 수행 할 수있는 스마트 디자인으로 설계되었습니다. 구조가 눈에 띄게 만드는 것을 분석합시다.
첫째, 합리적이고 안전한 구성이 있습니다. 우리는이 산업 범용 조인트 커플 링에 통합 포크 헤드 디자인을 사용하여 볼트가 느슨하거나 파손되는 것과 같은 위험을 줄입니다. 그것만으로도 구조적 무결성이 30%-50%증가하므로 안전하고 안정적으로 작동합니다. 일반 커플 링과 비교할 때 더 오래 지속되며 강력한 작업에서 볼 수있는 중장비 범용 조인트 커플 링 시스템과 같은 스트레스가 많은 지점에서 일반적인 고장을 피합니다.
그런 다음 강화 된 하중 부유 용량이 있습니다.이 SWC 중형 유니버설 조인트 커플 링은 큰 가중치를 처리하기 위해 만들어 지므로 광업이나 건설 기계와 같은 최고 수준의 하중 관리가 필요한 곳에서 필수품입니다.
또한 높은 전송 효율을 제공하여 최대 98.6%를 차지합니다. 대규모 전력 전송을위한 효율적인 범용 조인트 커플 링으로서 에너지 사용과 그에 따른 비용을 줄입니다. 그렇기 때문에 고출력 산업 전송 설정에서 에너지 절약 범용 조인트 커플 링 솔루션을위한 최고의 선택입니다.
저음으로 매끄럽게 작동합니다. 변속기를 안정적으로 유지하며 소음은 일반적으로 30-40dB (A) 사이입니다. 이 저조한 보편적 인 조인트 커플 링은 운영이 조용히 유지되도록합니다. 이는 소음이 문제가되는 곳에 완벽합니다.
⭐⭐⭐⭐⭐ Chen Liang, Zhejiang Machinery Co., Ltd.의 생산 엔지니어
우리는 Raydafon의 SWC-WF를 Flex Flange Type Universal Coupling없이 생산 라인 중 하나에 넣었으며 지금까지 잘 작동했습니다. 구조물은 간단하지만 힘든 일이지만 산들 바람, 복잡한 단계는 없었습니다. 설정되면 부드럽게 실행되며 추가 조정이 필요하지 않습니다. 부하가 무겁 더라도이 커플 링은 신뢰할 수있게되므로 기계를 너무 걱정하지 않고 오랜 시간을 계속 유지할 수 있습니다.
Sun Mei, Hebei Steel Co., Ltd. 구매 감독자
우리 회사는 Raydafon에서 Flex Flange Type Universal Couplings없이 여러 SWC-WF를 구입했으며, 먼저 배송이 제 시간에 맞춰졌으며 포장도 조심 스러웠습니다. 저에게 실제로 눈에 띄는 것은 워크숍 팀이 말한 것입니다. 그들은 커플 링을 설치하기 쉽고 사용할 때 정말 견고하다고 말했습니다. 또한 다른 공급 업체와 비교할 때 여기의 가격은 공정합니다. 대체로이 구매에 정말 만족합니다.
⭐⭐⭐⭐⭐ GUO JUN, Liaoning Heavy Industry Group의 유지 관리 관리자
저의 임무는 기계를 계속 운영하는 것이며, 최대한 다운 타임을 줄이려고 노력합니다. Flex Flange 유형 범용 커플 링없이 Raydafon의 SWC-WF를 사용하기 시작한 이래로, 부품의 마모가없고 작동 중에 더 적은 문제가 있음을 알았습니다. 디자인은 힘들고 많은 유지 보수가 필요하지 않습니다. 그것은 우리에게 시간과 돈을 모두 절약 할 수 있으며, 장비의 매우 신뢰할 수있는 부분으로 판명되었습니다.
Raydafon은 Ever-Power Group Co., Ltd.의 주요 자회사입니다. 우리는 공급 업체 일뿐 만 아니라 최고 품질의 전송 구성 요소 및 산업 솔루션을위한 공급 업체이며 SWC Cardan Shaft Universal Port Coupling과 같은 혁신적인 제품에 많은 초점을 맞 춥니 다. 우리가 시작한 이래로 우리는 기술 발전과 글로벌 시장에서 성장하는 것에 관한 것입니다. 우리는 단일 구성 요소를 판매하는 데 멈추지 않았습니다. 우리는 농업 및 중장비 산업 요구에 완벽하게 맞는 전체 시스템 솔루션을 제작했습니다. 드라이브 샤프트 및 변속기 제품에 대한 노하우는 롤링 밀 운영 (및 기타 힘든 작업)을위한 신뢰할 수있는 강력한 보편적 인 공동 결합이 필요한 고객을 의미합니다.
Raydafon에서는 기어 박스, 드라이브 샤프트, 유압 실린더, 풀리 및 CNC 선반 및 밀링 머신과 같은 고급 공작 기계 등 다양한 제품을 만듭니다. 예를 들어 SWC 시리즈를 테이크 한 우리의 높은 토크 보편적 인 조인트 커플 링 솔루션은 리프팅 및 재료 취급 장비에 내구성있는 SWC 범용 조인트 샤프트 커플 링이 필요한 산업의 엄격한 요구를 처리하도록 구축되었습니다. CNC 워크샵, 연삭 및 열 처리 기계, 3D 측정 도구 등 고급 시설도 있습니다. 모든 ISO9001/TS16949 표준을 고수 할 수 있으므로 우리가 만드는 모든 산업 범용 조인트 커플 링은 최고 품질과 정확합니다.
우리는 해외 제품의 80%를 미국, 독일, 일본, 이탈리아, 말레이시아, 호주 및 중동과 같은 시장에 판매합니다. 그리고 우리는 중국, 한국, 영국, 싱가포르, 미국 및 스페인과 같은 장소에서 강력한 네트워크를 보유하고 있습니다. 이 글로벌 도달 범위를 통해 큰 부하를 처리하고 오랫동안 지속 해야하는 중장비 범용 조인트 커플 링 시스템을 위해 설계된 SWC Heavy-Duty Universal Joint Coupling과 같은 맞춤형 솔루션을 만들 수 있습니다.
혁신과 고객을 행복하게 만드는 것이 우리의 우선 순위입니다. 우리는 최대 98.6%의 전송 효율에 부딪히는 에너지 절약 범용 조인트 커플 링 솔루션을 제공하여 고전력 설정의 운영 비용 절감을 제공합니다. 대규모 전력 변속기를위한 효율적인 범용 조인트 커플 링이 필요하거나 소음이 중요한 장소에 대한 저 잡기 범용 조인트 커플 링이 필요한지 여부에 관계없이 당사의 제품에는 전문적인 애프터 판매 서비스가 제공되며 올바른 일을하기 위해 최선을 다하고 있습니다. 그렇기 때문에 Raydafon이 모든 변속기 요구에 가장 적합한 선택입니다.
주소
Luotuo 산업 지역, Zhenhai 지역, 닝보 시티, 중국
Copyright © Raydafon Technology Group Co., 제한된 모든 권리 보유.
Links | Sitemap | RSS | XML | Privacy Policy |
