제품
NL 유형 나일론 기어 유연한 커플 링 교체

NL 유형 나일론 기어 유연한 커플 링 교체

NL 타입 나일론 기어 커플 링은 가벼운 내구성과 내구성을 특징으로합니다. 금속 부품이있는 나일론으로 만들어진 조용하고 유지 보수가 없으므로 중소형 변속기 장비에 적합합니다. 중국의 전문 커플 링 제조업체 인 Raydafon은 자체 공장을 운영하며 고품질의 안정적인 제품을 안정적인 공급을 제공합니다. 우리는 신뢰할 수있는 공급 업체로 품질, 보장 배송 및 합리적인 가격을 강조하여 다양한 운영 조건에서 회사가 전송 효율성을 향상시킬 수 있도록 도와줍니다.


하루 종일 유체를 움직이는 펌프와 같은 기계를 다루는 경우, 공간을 통풍을 통과하는 팬 또는 논스톱으로 실행되는 섬유 장비를 유지하는 팬은 작은 오정렬을 다루기에 충분히 유연하지만 토크를 꾸준히 움직일 정도로 힘든 커플 링이 필요합니다. 이것이 바로 Raydafon의 NL 유형 Nylon Gear Flexible Coupling을 위해 구축 된 것입니다. 최대 4mm의 축 방향 오정렬과 2 도의 각도 오정렬을 처리하므로 샤프트가 완벽하게 정렬되지 않더라도 장비를 히치없이 유지합니다.


우리는 NL1에서 NL10까지의 모델을 가지고 있으므로 거의 모든 빛에서 중간 정도의 작업에 적합합니다. 토크 용량의 범위는 40 n · m ~ 3150 n · m이며, 보어 직경은 6mm에서 100mm로 이동합니다. 너무 크거나 너무 작은 크기를 사냥 할 필요는 없습니다. 이 나일론 기어 유연한 커플 링이 눈에 띄게 만드는 것은 빌드입니다. 강철 허브와 짝을 이루는 고강도 나일론 슬리브. 그 콤보는 그것이 조용히 작동한다는 것을 의미하며 유지 보수를 위해 거의 만지지 않아도됩니다. 일정한 수표 나 수정 사항은 속도를 늦추지 않습니다. 산업 기계를위한 유연한 기어 커플 링을위한 것이며, 펌프를 사용하는 경우 펌프를위한 가장 신뢰할 수있는 나일론 슬리브 기어 커플 링 중 하나입니다. 또한 소형 디자인은 단단한 설정에 적합하며 -20 ° C와 +70 ° C 사이에서 원활하게 작동합니다. 작업 공간이 쌀쌀하거나 따뜻한 경우에는 중요하지 않습니다.


Raydafon에서는 중국에서 이러한 커플 링을 만들고 ISO 9001 표준에 엄격하게 붙어 있습니다.이 부분은 내구성이 뛰어나고 지속될 준비가되어 있는지 확인합니다. 나일론 슬리브는 강력 할뿐만 아니라 비전도적이고 부식성이 있습니다. 그것은 습한 공간이나 화학 물질이있는 지역의 게임 체인저입니다. 다른 커플 링이 녹슬거나 짧아 질 수 있습니다. 이는 계속 더 길어집니다. 간단한 구조는 조립 및 분해를 산들 바람으로 만듭니다. 복잡한 도구가 없으며 교체하거나 유지 보수를해야 할 때 빠른 작업 만하십시오. 그렇기 때문에 맞춤형 나일론 기어 커플 링을위한 최고의 선택입니다. 특정 설정에 맞게 조정할 수 있으며 섬유 장비를위한 가장 내구성있는 유연한 기어 커플 링 중 하나이며 직조 또는 회전 기계의 지속적인 움직임을 유지합니다.


우리는 모든 종류의 크기와 샤프트 구성을 제공하므로 단일 크기의 옵션이 아닌 기계에 맞춰진 커플 링을 얻습니다. 그리고 우리는 가격을 경쟁력있게 유지하므로 품질에 대해 과도하게 지출 할 필요가 없습니다. 전 세계 비즈니스의 경우 이는 가동 중지 시간이 적고 (설치 및 유지 관리가 쉽기 때문에) 장비 효율성이 향상됩니다.


nl-type-nylon-gear-flexible-coupling

제품 사양

nl-type-nylon-gear-flexible-coupling-specification

nl-type-nylon-gear-flexible-coupling-specification


작업 원칙

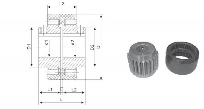
NL 유형 나일론 기어 플렉시블 커플 링의 코어 작업 논리는 메쉬 기어 톱니에 의존하여 토크 전송을 달성하는 반면, 내부의 나일론 슬리브는 주요 유연한 구성 요소로서 샤프트 시스템 오정렬을 효과적으로 보상 할 수있을뿐만 아니라 충격을 흡수하는 데 중요한 역할을 할 수 있습니다. 이 구조 설계에서 외부 치아가있는 두 개의 허브가 내장 나일론 내부 기어 슬리브를 통해 연결됩니다. 이 조합은 기계 시스템에서 효율적인 전력 전송을 보장 할뿐만 아니라 작동 중에 생성 된 진동과 영향을 크게 줄입니다. 이 설계 장점은 중소형 장비에 적응 해야하는 NL 유형 나일론 기어 유연성 커플 링의 적용 사례에서 특히 분명합니다.


구동 샤프트가 허브 중 하나로 토크를 전달하면 허브의 외부 치아는 나일론 내부 기어 슬리브의 내부 치아와 정확하게 메쉬 한 다음 나일론 내부 기어 슬리브가 구동 샤프트에 연결된 다른 허브에 전원을 부드럽게 전송합니다. 샤프트 시스템에 각도, 평행 또는 축 방향 오정렬이있는 작업 조건 에서도이 메쉬 전송 메커니즘은 여전히 ​​장비의 안정적인 작동을 보장 할 수 있습니다. 따라서 자동화 된 생산 라인의 변속기 시스템, 펌프 장비의 전력 연결 및 컨베이어의 구동 장치와 같은 안정적인 유연한 기어 커플 링 솔루션이 필요한 필드에서는 NL 유형 나일론 기어 유연성 커플 링이 선호되는 제품입니다.


NL 유형 나일론 기어 플렉시블 커플 링 자체에 사용되는 나일론 재료는 우수한 탄성 및 댐핑 특성을 가지며, 이는 연결된 기계 장비의 마모를 줄일뿐만 아니라 전체 변속기 시스템의 서비스 수명을 연장 할 수 있습니다. Raydafon은 전문 기어 커플 링 제조업체로서 고급 재료를 선택하고 NL 유형 커플 링을 생산할 때 제조 공정을 최적화하여 다양한 산업에서 복잡한 작업 조건에서 제품을 탁월한 성능을 유지할 수 있습니다. 예를 들어, 가변 하중을 다루는 시나리오에서 Raydafon이 생성 한 NL 유형 나일론 기어 플렉시블 커플 링은 샤프트 시스템 오정렬로 인한 전송 실패를 피하기 위해 우수한 오정렬 보상 기능에 의존하고 장비 다운 타임을 줄일 수 있습니다.


NL 타입 나일론 기어 유연한 커플 링을 안정적인 작업 효율을 유지하기 위해서는 일일 유지 보수가 필수적이며, 그 중 기어 치아 부품의 정기적 인 윤활이 핵심 링크입니다. 합리적인 윤활은 기어 치아 메시 중 마찰 손실을 줄이고, 커플 링의 작동 안정성을 더욱 향상시키고, 고장 확률을 줄일 수 있습니다. 일반적으로, NL 유형 나일론 기어 유연성 커플 링의 작동 원리는 강성 허브와 유연한 나일론 슬리브의 상승 효과를 통해 전송 시스템의 유연성과 안정성을 고려하면서 강력한 토크 전송을 달성하는 것입니다. 숙련 된 기어 커플 링 공급 업체 인 Raydafon은 항상 엄격한 표준의 제품 정밀도 및 신뢰성을 제어하여 다양한 산업에서 고객에게 NL 유형 Nylon Gear Flexible Coupling 제품을 강력한 적응성과 내구성이 높은 제품으로 제공합니다.



gear flexible coupling


제품 기능

NL 유형 나일론 기어 플렉시블 커플 링은 까다로운 기계적 시나리오에서 고성능 응용 프로그램을 위해 특별히 설계되었습니다. 안정적인 전력 전송을 보장하면서 샤프트 오정렬을 유연하게 수용하여 나일론 슬리브 기어 커플 링 범주에서 경쟁이 치열한 옵션입니다. 이 커플 링의 주요 설계 하이라이트는 고강도 나일론 슬리브에 있으며, 이는 우수한 탄성 변형 기능과 결합을 부여 할뿐만 아니라 전체 구조의 내구성을 크게 향상시킵니다. 이로 인해 장기간 작동하는 산업 장비의 중요한 유연한 나일론 슬리브 기어 커플 링 구성 요소로 특히 적합합니다.


토크 전송 용량 측면에서 NL 유형 나일론 기어 플렉시블 커플 링은 뛰어난 성능을 제공하여 고조차 부하 요구 사항을 쉽게 처리합니다. 중부 공작 기계, 채굴 기계 또는 대규모 컨베이어 장비 (전력 전송에 높은 신뢰성을 요구하는 대규모 컨베이어 장비에서는 안정적으로 작동하여 수많은 고 토크 작업 조건에 선호하는 고 토르크 나일론 기어 커플 링 모델로 확립됩니다. 기계적 작동 중 샤프트 오정렬의 일반적인 문제를 해결할 때,이 유연한 나일론 기어 커플 링은 우수한 적응성을 보여줍니다. 각도 오정렬, 병렬 오정렬 및 축 방향 오정렬을 효과적으로 흡수하고 보상 할 수 있으며, 따라서 연결된 샤프트에 대한 추가 응력을 크게 줄이고 전체 전송 시스템의 서비스 수명을 확장하는 데 도움이됩니다. 이 기능은 특히 장기 연속 작동이 필요한 생산 장비에 특히 중요합니다.


또한, NL 타입 나일론 기어 유연성 커플 링의 나일론 재료는 본질적으로 우수한 충격 흡수 및 버퍼링 특성을 갖는다. 장비 작동 중에 진동 및 충격의 영향을 효과적으로 줄여 전송 시스템의 더 매끄러운 작동을 보장 할 수 있습니다. 결과적으로, 빈번한 진동을 갖는 동적 작업 조건에서, 그것은 많은 기업에서 선호되는 충격 흡수 나일론 기어 커플 링 솔루션이되었습니다. 부식성 측면에서, 나일론 슬리브의 우수한 화학적 차단 저항 외에도,이 커플 링의 금속 성분은 특수 처리를 거쳐 습한, 먼지가 많거나 약간 부식성이있는 환경에서 안정적인 작동을 가능하게합니다. 전통적인 강성 커플 링과 비교할 때, 그것은 가혹한 작업 조건에서 더 강한 적응성을 나타내며, 내구성이 뛰어난 나일론 기어 커플 링에 대한 산업 부문의 요구 사항을 완전히 충족시킵니다.


작동 및 유지 보수의 관점에서 NL 유형 나일론 기어 플렉시블 커플 링은 유지 보수가없는 설계를 채택합니다. 자주 윤활유 추가 또는 조정이 필요하지 않으므로 일일 유지 보수의 작업량을 줄일뿐만 아니라 부적절한 유지 보수로 인한 장비 고장의 위험이 낮아집니다. 이것은 운영 비용과 가동 중지 시간을 효과적으로 제어하며, 유지 보수가 적은 유연한 기어 커플 링을 위해 효율적이고 저 소비 생산을 추구하는 산업의 선택 기준과 완벽하게 일치합니다. 한편, 전체 구조는 가볍고 컴팩트하여 간단하고 빠른 설치 및 분해를 용이하게합니다. 공간이 제한된 장비 레이아웃 에서도이 소형 나일론 기어 커플 링의 어셈블리를 쉽게 완료 할 수있어 장비 설치 및 유지 보수의 효율성이 향상됩니다.


요약하면, NL 유형 나일론 기어 유연성 커플 링을 변속기 시스템에 통합하면 장비에 대한보다 안정적이고 효율적인 운영 지원이 제공됩니다. 특히 고정밀 전송이 필요한 정밀 제조 분야에서,이 고성능 나일론 슬리브 기어 커플 링은 최적화 된 설계를 통해 전송 정확도, 신뢰성 및 적응성에 대한 여러 요구를 충족하며 장비의 전반적인 성능을 향상시키는 데 중요한 구성 요소로 작용합니다.

flexible coupling

제품 응용 프로그램

NL 유형 나일론 기어 플렉시블 커플 링은 꾸준한 전력 전송이 필요한 모든 종류의 기계 설정에 대한 전송 부분으로 작동합니다. 눈에 띄게 만드는 것은 나일론 슬리브입니다. 진동을 흡수하고 작은 샤프트 오정렬을 고치는 것이 바로 구부러져 있으므로 부품이 너무 빨리 마모되지 않고 신뢰할 수있는 토크 움직임이 필요한 모든 기어 커플 링 사용에 적합합니다.


예를 들어 산업용 기계를 가져 가십시오. 이 커플 링은 모터를 펌프 또는 압축기에 연결하는 데 좋습니다. 해당 기계가 실행되면 종종 시스템을 통해 갑작스런 충격로드를 보냅니다. 그러나 NL 유형 나일론 기어 유연한 커플 링은 그 영향을 완화하여 전체 설정이 더 오래 지속될 수 있도록 도와줍니다. 그리고 컨베이어 라인 (공장에서 재료를 멈추지 않는 자재)은이 산업 나일론 슬리브 기어 커플 링으로 부하가 변경 될 때에도 물건을 매끄럽게 유지합니다. 자주 분해되는 오래된 단단한 커플 링과는 달리, 이것은 가동 중지 시간과 물건을 고치는 데 소비하는 돈을 줄입니다.


자동차 및 교통 세계는 특히 드라이브 샤프트 및 조향 부품에도 사용합니다. 자동차와 트럭은 움직일 때 많은 비틀림 진동을 처리해야하지만 자동차를위한 유연한 기어 커플 링은 그 것들을 흡수합니다. 그것은 차량을 더 좋게 작동시킬뿐만 아니라 더 안전하게 만듭니다. 이상한 흔들림은 스티어링을 버리거나 드라이브 트레인을 착용하지 않습니다.


CNC 기계 나 산업용 로봇과 같은 정밀 기어 커플 링 사용과 관련 하여이 커플 링은 실제로 빛납니다. 이러한 기계는 빠르게 회전하고 매우 정확한 움직임이 필요하지만 작은 샤프트 오정렬 (각도 나 평행 교대)도 문제를 해결할 수 있습니다. NL 유형 나일론 기어 유연한 커플 링은 고속으로 유지하면서 이러한 문제를 해결합니다. 그렇기 때문에 자동화 된 어셈블리 라인을 구축하는 많은 회사에서 사용자 지정 설정이 필요할 때 정밀 CNC 장비를 위해이 나일론 기어 커플 링을 찾습니다.


또한 HVAC 시스템 및 수처리 공장에서도 찾을 수 있습니다. 그 장소는 팬과 송풍기를 많이 사용하며, 그 부분이 너무 많이 진동하면 큰 소리로 분해됩니다. HVAC 팬을위한이 진동 감독 유연한 기어 커플 링은 노이즈를 낮추고 장비가 꾸준히 작동합니다. 가열/냉각 또는 수처리 공정에서는 예기치 않은 멈추지 않습니다.


대체로 NL 유형 나일론 기어 플렉시블 커플 링은 거의 모든 산업에 예산 친화적 인 선택입니다. 힘들고 설치하기 쉽고 작업을 완료합니다. 안정적인 산업 기어 커플 링 공급 업체를 찾고 있다면 Raydafon은 정확한 요구에 맞는 사용자 정의 옵션을 연결할 수 있으므로 최상의 성능과 오래 지속되는 부분을 얻을 수 있습니다.


application


고객 리뷰

Wang Lei, Guangzhou Machinery Co., Ltd.

우리는 어셈블리 라인에 Raydafon의 NL 유형 Nylon Gear Flexible Coupling을 한동안 보유하고 있었으며, 우리가 시도한 다른 커플 링보다 더 신뢰할 수있는 꾸준한 공연 자였습니다. 나일론 기어 디자인은 여기서 눈에 띄는 것입니다. 토크를 부드럽게 움직이고 육포 전송을하지 않으며 진동이 너무 많이 줄어서 실제로 기계 실행 방식의 차이를 알 수 있습니다.

설치도 전체 산들 바람이었습니다. 장비에 여분의 공간이 많지 않지만이 커플 링은 상자 밖에서 완벽하게 맞습니다. 아무것도 수정할 필요가 없습니다. 논스톱으로 실행 중이며 마모의 징후는 거의 없습니다. 내구성은 우리가 생산을 자주 고치거나 교체하기 위해 생산을 중단하지 않는다는 것을 의미합니다. 대체로, 그것은 우리가 필요로하는 것을 정확하게 수행하는 견고하고 비용 효율적인 선택입니다.


John John Smith, 미국 시카고 산업 솔루션의 공장 관리자

우리는 시카고 시설에서 Raydafon의 NL 유형 나일론 기어 One에 대한 오래된 금속 커플 링을 교체했으며, 그 변화는 밤낮이었습니다. 우리가 기계를 발사 한 두 번째로 느낄 수있었습니다. 부품을 덜 쥐는 데 사용 된 진동이 느슨합니까? 다 쓴. 오래된 커플 링에서 큰 윙윙 거리는 소리? 너무 조용히 바닥이 차분하게 느껴집니다. 전력 전송? 우리가 무거운 하중을 실행할 때에도 매끄럽습니다.

또한 금속보다 오정렬한 방식이 더 잘 처리됩니다. Raydafon은 우리에게도 빨리 얻었습니다. 배송은 예정에 맞았으며 품질의 최고 부품이나 으스스한 작업이 아닌 품질의 최고 수준이 높았습니다. 나는 이미 다른 식물 관리자들에게 그것에 대해 이야기했습니다. 이것은 당신이 그 단어를 전달하고 싶은 종류의 제품입니다.


ANNA Müller, 독일 뮌헨 엔지니어링의 유지 보수 감독관

우리는 몇 달 전에 Raydafon의 NL 유형 커플 링을 고속 기계에 넣었으며 팀의 게임 체인저였습니다. 나일론 기어 재료는 스마트 콜입니다. 금속만큼 빨리 마모되지 않으므로 부품을 자주 교체하지 않으며 더 조용합니다. 작게 들릴지 모르지만 더 조용한 상점은 팀의 피로가 적고 장비를 점검 할 때 방해가 줄어 듭니다.

고속 달리기와 함께 제공되는 약간의 교대를 다루기에 충분히 유연하지만 굽힘이나 파손이 아닌 압력을받을 수있을 정도로 강합니다. 설치도 간단했습니다. 우리 기술자들은 복잡한 지시를 한 시간 안에 설정했습니다. 우리는 기계를 설치 한 후 기계 파업이 적었고 모든 것이 더 부드럽습니다. Raydafon은 그들이 우리가 믿을 수있는 공급 업체라는 것을 증명했습니다. 놀라움도없고 좋은 제품입니다.


Carlos Martínez, 스페인 마드리드 제조업체 운영 이사

Raydafon의 NL Type Nylon Gear Flexible Coupling은 우리가 찾고있는 고품질 제품입니다. 우리는 진동을 줄이고 효율성을 높이기를 희망하는 생산 라인에 추가했으며, 두 가지 모두에 대한 질문이 없었습니다. 나일론 기어는 물건을 매끄럽게 유지하는 데 적합한 유연성을 제공하지만 타이트한 마감일을 맞추기 위해 라인을 밀어 붙일 때조차도 힘을 희생하지는 않습니다.

컴팩트 한 것도 우리의 설정에 큰 장점입니다. 우리는 여분의 공간이 많지 않으며이 커플 링은 다른 부품을 붐비지 않고 바로 맞습니다. 우리는 지금 몇 달 동안 사용해 왔으며 고장도없고 이상한 소음도없고 일관된 성능만으로도 문제가 없었습니다. 제품 자체와 Raydafon에서 얻은 훌륭한 서비스 사이에서 우리는 만족합니다. 이것은 골키퍼입니다.

universal coupling factory


핫 태그: 기어 커플 링
문의 보내기
연락처 정보
유압 실린더, 기어 박스, PTO 샤프트 또는 가격표에 대한 문의 사항은 이메일을 저희에게 맡기면 24 시간 이내에 연락을 드리겠습니다.
X
We use cookies to offer you a better browsing experience, analyze site traffic and personalize content. By using this site, you agree to our use of cookies. Privacy Policy
Reject Accept